手機:13827297626
電話:13827297626
郵箱:435281082@qq.com
地址:廣東省東莞市樟木頭鎮圩鎮荔苑路7號星耀國際
發布時間:2022-06-10 點此:3650次
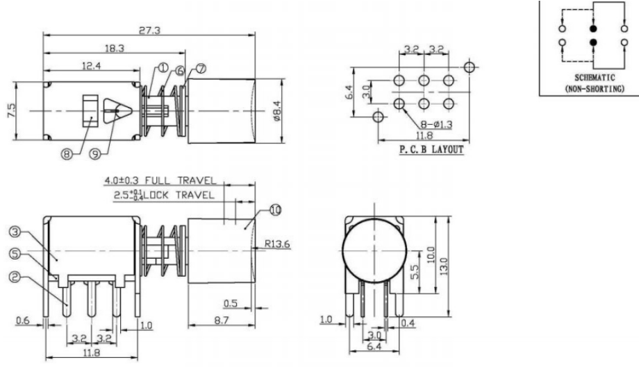
產品描述:27.5*7.5*13 自鎖白色內凹膠帽式按鍵開關
產品特點:27.5*7.5*13 尺寸;回路:2P2T,自鎖功能滿足客戶電源開關選型需求

腳型:插件,垂直90°按壓
行程:2.5mm(總行程4.0mm)
力度:90gf,250gf ,400gf,500gf可選
壽命:1萬次

上一篇:輕觸開關質保多久?
下一篇:家用電器按鍵輕觸開關多高
相關推薦