手機:13827297626
電話:13827297626
郵箱:435281082@qq.com
地址:廣東省東莞市樟木頭鎮圩鎮荔苑路7號星耀國際
發布時間:2020-04-07 點此:7378次
輕觸開關 相關資料大全
輕觸開關是一種點按式的開關(又稱彈片按鍵開關),也就是說按下去接通放開就斷開,簡單來說就是點按瞬間接通的開關,其實也有人輕觸開關也叫按鍵開關,按鍵開關通常代表行程比較大一點的開關可以自鎖。和無鎖。突出一個按的動作力。輕觸就是行程短接觸短,輕輕一觸的意思。

介紹
輕觸開關是機器的啟動和關閉的裝置。一般指用來控制儀器,儀表或設備等裝置的一個部件,它可以使該裝置在開和關的兩種狀態下相互轉換。日常生活中,到處可以看到的身影。它在生活中的應用是非常廣泛的,尤其在家用電器方面。輕觸開關是一種電子開關,使用時輕輕點按開關按鈕就可使開關接通,當松開手時開關即斷開,其內部結構是靠金屬彈片受力彈動來實現通斷的。

產品類別
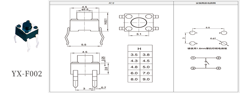
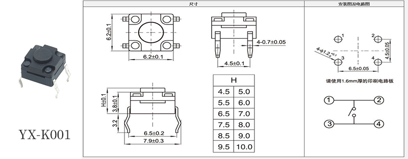
1、插腳式輕觸開關
引腳為直插式,方便安裝,多用于流水線強的。

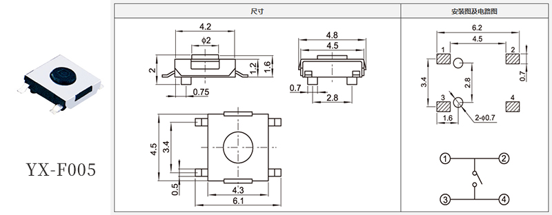
2、貼片式輕觸開關
引腳為貼片式,主要用在比較精密的儀器上,可以節約空間。在貼片輕觸開關的使用上,請注意不要讓異物的侵入,即使是一些微小的雜質或是異物,都是會導致影響到開關的按鍵敏感度有所下降。

3、薄膜式輕觸開關
超薄的體積,密封性非常好,多用于電子儀器的中控面板按鈕上面。

4、防水式輕觸開關
防水輕觸開關的選材非常重要。隨著年限的增加,防水輕觸開關的材料會逐漸氧化,防水膜變得脆弱。因此,在選材時,應選用堅固耐用的防腐防水硅膠墊材料,使產品在使用過程中能夠長期使用。性能良好,在高溫、干旱或潮濕、寒冷的環境中也能保持良好的防水和防水性能,不會造成變形和破損。材料的耐久性可以提高開關本身及其應用產品的整體壽命。顧客購買的產品外觀第二,最重要的是產品質量過硬。因此,材料的選擇是非常重要的。最重要的是,它特別重要。

結構組成
輕觸開關根據原理的不同可分為兩種,一種是利用金屬彈片來完成開關導通截止狀態的切換,該類輕觸開關手感好,按下按鈕至一定程度時伴隨有滴答的聲音出現;另一種是利用導電橡膠來完成開關導通截止狀態的切換,該類開關手感也好,但接觸電阻大,約為上一種的10000倍。
輕觸開關的結構主要可分為蓋板、按鈕、彈片、基座、引腳五大部分,其中,按鈕指的是外力施加處;彈片是輕觸開關的關鍵組件,開關的通斷就是靠彈片受力變化引起的;引腳指的是輕觸開關與電路的連接處,一般為五個引腳,兩兩一組,還有一個引腳用于接地作用,當開關被正確受力時,四個引腳相導通使得電路導通,而開關沒有正確外力對其施壓時,四個引腳兩兩一組并不相通,使得電路處于斷開狀態。
常規大多數的輕觸開關按鍵上一般會具有兩個感應觸點,分別是常開觸點以及常閉觸點組成,每當我們按下開關的按鍵后,后置則就會開關的常閉觸點斷開,而常開觸點就會閉合,從而使得開關實現電路的接通。意思也就是指在開關的按鍵外力作用下,其按鈕會通過接觸組一起向下作軸向運動,這時就會開關內部的接觸組與基座組以及內定的二極管接觸組感應,從而實現按鍵開關的的指示燈就會亮,則接通電路。

帶燈小型按鍵輕觸開關的體積一般都比較小,重量輕,所以在很多家店方面得到很廣泛的應用。如影響產品,健身器材,家具電器等。但小型按鍵輕觸開關也有它不足的地方,這主要是由于頻繁的按動彈簧金屬片,會使金屬片疲勞而失去彈性從而失效。所以所以現在大部分電器按鈕都使用導電橡膠或鍋仔開關五金彈片直接代替,廣泛應用有電腦鍵盤和遙控器的按鈕。
主要用途和技術性能參數
多用于液晶電視機開關鍵、音響設備、錄像機控制面板、攝像機、計算機、游戲機、傳真機、對講機、警棍、機床控制裝置、復印、打印機、電子儀器、儀表和其它家用電器。
一、電氣/機械性能:
1.額定負荷:DC 12V , 50 mA
2.接觸阻抗:100mΩ MAX
3.絕緣阻抗:100MΩ min
4.操作力:130g/180g/250g
5.壽命:100,000 cycles
二、防水性能和定制性
有最高可以達到IP67的防水,且可以通過不同設備的結構要求進行定制,增加產品的獨特性。
封裝類型
輕觸開關的封裝有散裝人工插件、SMT貼片封裝、DIP插件編帶封裝。

規格型號
輕觸開關以用途和外形區分,可以分為防水型、耐高溫型、貼片型、插腳型、小/中/大烏龜型、側按型、帶燈型、撥輪型、硅膠型、五向型等等,如果以尺寸區分有2*4系列輕觸開關、3*3系列輕觸開關、3*4系列輕觸開關、3*6系列輕觸開關、4*4系列輕觸開關、4.5*4.5系列輕觸開關、5.2*5.2系列輕觸開關、6*6系列輕觸開關、6.2*6.2系列輕觸開關、8*8系列輕觸開關、12*12系列輕觸開關等等,按按壓克力分有100克力、160克力、250克力等。
輕觸開關使用過程需要注意事項
1、規格亂用:輕觸開關的在種類和規格上都是有差別的,每種規格不一的開關,其針對的功能特性差異也是比較大的。如果隨便將輕觸開關應用到規格不同的產品上,都是有可能造成彼此不適應的,使用起來就會按鍵操作不靈敏,也極易造成開關損壞。因此,輕觸開關在應用時一定要做到與產品相適應,只有規格相匹配用起來才會得心應手。
2、擠壓力度不當:目前大多是常規輕觸開關對于感應的靈敏度都比較高,因此在按鍵開關時,要多加注意操作擠壓的力度不宜過大,否則會造成開關按擊時造成卡頓的現象,而且后期還會降低開關的觸感靈敏度。
3、頻繁按鍵:輕觸開關也要避免過于頻繁按壓開關,否則易造成開關內部彈片元件受到損耗,而且還會造成彈片靈敏度下降。其實一般開關每一次按鍵對其內部得彈片都是會有一定程度的磨損,當達到一定的開關耐磨界限時,開關壽命也叫宣告告終。所以日常在使用過程中應避免將開關當成玩具,反復按壓。
四、水汽造成短路:日常在使用開關按鍵時,要注意到按鍵表面不能有水滴存在,一旦不慎讓水汽流入開關內部,不僅會對彈片的靈敏度造成影響,還有可能造成短路漏電的情況,而人體不小心接觸到,則有可能造成觸電等安全事故。因此,禁止在手濕的情況下去觸碰開關,避免開關接觸水汽。
注意點一:在對輕觸開關的端子進行焊接時,給端子不要施加太大的力度負荷,以免會導致造成松動、變形及電特性降低的可能。而且焊接當中也要注意不要開關的各個連線不要接錯,以免接錯會造成無法使用或者是短路等故障。
注意點二:關于輕觸開關進行多次焊接后,要注意每次的焊接的部分都要等待回復常溫之后方才能進行操作,若是連續加熱的話,有可能會致使開關的端子變形或者是焊壞等現象。
注意點三:關于輕觸開關的使用時間過久了,內部肯定會堆積很多的塵埃以及雜物,那么一般對于清潔上不能用水來清洗,以免容易致使開關的元件受潮而失效,所以應當可以用棉布沾點酒精進行擦拭。
注意點四:其次對于帶插腳型的輕觸開關的安裝上,請在插腳位置進行焊接,若是在開關的插腳中點被固定的狀態下進行焊接的話,插腳的部位有有可能導致造成變形的狀況。
注意點五:輕觸開關請勿在周圍的材料發出腐蝕性氣體的環境安裝使用,否則以免是有可能導致腐蝕開關的元件,從而造成開關無法使用。而開關安裝時,要保證其各引腳是否牢固,如有松動會導致開關的引腳電流傳輸不穩定,從而也會導致有燒毀的可能。
應用行業范圍
1.影音產品:MP3、MP4、DVD.音響;
2.數碼產品:數碼相機、數碼攝像機等;
3.遙控器:車輛、點卷門、家庭防盜產品之遙控器;
4.通訊產品:手機、車載話機、電話機、樓宇設備、PDA等;
5.家用電器:電視機、微波爐、電飯煲、電風、電子人體秤、電子脂肪秤、電子廚房秤等;
6.安防產品:可視對講機、監視器等;
7.玩具:電子玩具等;
8.電腦產品:攝像頭、錄音筆等;
9.健身器材:跑度機、按摩椅等;
10.醫療器材:血壓計、額體溫計、醫院呼叫系統等。
11.其他:驗鈔筆、雷射筆等;

如何挑選優質的輕觸開關方法
影響輕觸開關質量的因素主要有:防護性、導通可靠性、可焊性、壽命、手感和生產工藝以及安裝尺寸,等下面我們來看看在哪種情況下應該輕觸開關。
1、生產工藝,有了配件之后最終影響品質的就是組裝工藝,組裝工藝要靠生產公司的管理能力、員工質量意識和品質保證能力等因素決定,不同保證能力出來的最終產品品質肯定不同,市場組裝方法有人工和機器,機器組裝成本低但產品品質低,人工組裝成本高但品質也高。出廠檢驗的方法和項目也影響最終輕觸開關的品質。
2、壽命和手感是輕觸開關的行程和彈片的配合決定的,行程越短聲音越輕壽命越長,行程越長則反之,在固定的彈片工藝情況下,主要看行程或聲音決定輕觸開關的壽命;其次,決定彈片壽命的關鍵因素還是沖壓技術,日本臺灣的沖壓技術在國內已經很比較普及,所以在技術提升情況下,對材料的要求是否進口材料再降低,比如160gf彈片壽命在市場是主要有四種5萬次左右(國產磷銅或比較落后的沖壓技術)、10萬次左右、20萬次以上(不銹鋼)。
3、導通可靠性關鍵影響因素是接觸點的結構,因為輕觸開關的功能是接觸點和彈片進行接觸導通,那么接觸點的接觸面越大越好,接觸面由結構決定,市場上大概有三類結構,優劣順序如下:大泡(火山口型)“O型接觸”、開槽型“2點接觸”、平泡型“1點接觸”。
4、為引腳基材,輕觸開關的引腳基材為黃銅或磷銅(低檔次的為鐵),為降低接觸電阻,引腳基本上鍍銀處理,為銀遇空氣中的SO2氣體會氧化,直接影響開關的可焊性和接觸電阻,所以高品質的輕觸開關首先要在引腳的基材鍍銀厚度和鍍銀工藝方面進行控制到位,市場上鍍銀優劣順序如下:
鍍銀厚度:0.3um以上(后銀)、0.2um(薄銀)、0.1um(鍍白)。
鍍銀工藝:基材預鍍鎳再鍍銀、基材預鍍銅再鍍銀、基材直接鍍銀基材鍍銀后是否有進行保護劑處理或開關是否具備防塵防水功能非常關鍵,不然即使最好的鍍銀處理,開關也會被氧化。

壽命測試
可用手動或者一個小電機帶動偏心開合開關,然后用計數器記錄次數,測試貼片輕觸開關開合的次數,直至損壞。一般進口彈片單面復銀壽命為大于10萬次,國產彈片壽命為5-7萬次,不銹鋼彈片大于50萬次高壽命。壽命和手感由貼片輕觸開關的行程和彈片的配合決定的,行程越短聲音越輕其壽命越長,行程越長。反之亦然,在固定的彈片工藝情況下,主要看行程和聲音決定輕觸開關的壽命,其實決定彈片壽命的關鍵因素還是沖壓技術。
性能耐久性測試
一、耐焊性試驗:
1、可焊性試驗:
方式:將焊接腳泡入錫池約2mm深,測試溫度約為230±5℃,保持時間為3±0.5秒。
結果:所泡焊腳部分80%以上將被錫覆蓋。
2、耐焊性試驗:
方式:焊爐焊錫的溫度控制在260±5℃,過爐焊接的保持在時間5±1秒于(基板)
手焊接的時候溫度控制在350±30℃,時間為3±0.5秒但不能對焊接腳施加異常壓力。
結果:開關無變形,能滿足于電器性能。施加異常壓力此項結果作廢。
二、耐冷試驗:
方式:在零下20±3℃溫度環境中放置4天時間,再放在正常環境中,30分鐘后進行測試。
結果:接觸電阻、絕緣電阻均處在標準范圍內,且無任何跡象顯示開關性能損壞。
三、耐高溫試驗:
方式:溫度在280±30℃的環境下,產品存放2—3分鐘取出,待散熱后測試其手感、電阻。
結果:電阻、克力回彈、外形等;均無任何損壞跡象顯示。開關使用性能依舊無損如初
四、耐濕試驗:
方式:在40±2℃ 90—95%RH環境中放4天時間,再放置在正常環境中,30分鐘后進行測試。
結果:接觸電阻、絕緣電阻均在標準范圍內,且無任何跡象顯示開關性能損壞。
五、溫度交變試驗
在不同溫度環境中,循環五次后再置于正常環境中30分鐘后進行測試;
開關屬于被動元件中的一種,不能單獨使用,只能與主動元件配合形成一套控制系統,它的作用才能得到發揮。常開輕觸開關的工作原理:在工作時點按開關按鈕可使開關接通,當松開按鈕時開關既斷開,其內部結構是靠金屬彈片受力來實現通斷的。常閉輕觸開關的原理:在工作時點按開關按鈕可使開關斷開,當松開手時開關既接通。根據以上兩種原理,可見此款開關有兩種做法,可以根據我們本身產品性能要求來選擇產品。根據工作原理來分析,可見此款產品也是有缺陷的,它是靠金屬彈片受力來通斷的,那么金屬彈片一旦失去彈力產品就無法使用,所以說此款產品有壽命限制。
不同工藝制作的輕觸開關對比
常規型輕觸開關是由:沖壓--注塑--清洗--裝配--成型--檢驗等工序;

薄膜型輕觸開關是由:絲印--模切--裝配--檢測等工藝;

薄膜輕觸開關對生產車間的要求更高,需要無塵車間進行生產制作,同時對原材料的要求也比較嚴格因為是精密性的配件,所以耐久性要高,否則更換會比較麻煩。常規型的輕觸開關對車間生產環境要求不高,可以人工手動制作。
參數介紹
1、工作溫度范圍Operating temperature range:-30℃to+85℃
2、額定電流Rating:50mA.12V DC
3、絕緣電阻Insulation resistance: 100MΩ min.100V DC
4、介電強度Dielectric strength: 250V AC for 1 min
5、接觸電阻Contact resistance: 100m Ω max.
6、行程Travel: 0.25±0.05mm(硅膠行程 >1.0)
7、操作力度Operating fore:90gf/180gf /250gf/400gf
8、壽命Life time:1,000,000 cycles(依產品而定)
上一篇:輕觸開關怎么編帶視頻
下一篇:SD卡座規格尺寸書
相關推薦